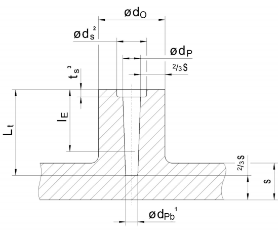
| d1 | do | dp | IE | dpb-0.98dp | tsmin-0.3d1 | tsmax-0.5d1 | ds-1.1d1 |
|---|---|---|---|---|---|---|---|
| 0 | 0 | 0 | 0 | 0 | 0 | 0 | 0 |

| Thread size | Tolerance | TP3 | TP4 | TP5 | TP6 | TP7 |
|---|---|---|---|---|---|---|
| P | ±0,05 | 1,35 | 1,8 | 2,24 | 2,7 | 3,15 |
| d1 max | h13 | 3,18 | 4,18 | 5,18 | 6,22 | 7,22 |
| d1 Nominal dimension = min | h13 | 3,00 | 4,00 | 5,00 | 6,00 | 7,00 |
| d2 | h16 | 2,10 -0,60 | 2,71 -0,60 | 3,38 -0,75 | 3,94 -0,75 | 4,45 -0,75 |
| y | h18 | 2,00 -1,35 | 2,70 -1,80 | 3,40 -2,24 | 4,10 -2,70 | 4,70 -3,15 |

| Thread size | Tolerance | TP3 | TP4 | TP5 | TP6 | TP7 |
|---|---|---|---|---|---|---|
| P | ±0,05 | 1,35 | 1,8 | 2,24 | 2,7 | 3,15 |
| d1 max | h13 | 3,18 | 4,18 | 5,18 | 6,22 | 7,22 |
| d1 Nominal dimension = min | h13 | 3,00 | 4,00 | 5,00 | 6,00 | 7,00 |
| d3 | h13 | 1,76 -0,10 | 2,29 -0,12 | 2,8 -0,12 | 3,31 -0,12 | 3,92 -0,22 |
| y | h18 | 2,00 -1,35 | 2,70 -1,80 | 3,40 -2,24 | 4,10 -2,70 | 4,70 -3,15 |
